Động Cơ DC Servo Giảm Tốc GP36 500CPR Encoder 1:27
Giá gốc: 1.100.000₫
Giá khuyến mại 995.000₫
ộng Cơ DC Servo Giảm Tốc Hành Tinh Planetary GP36
Động cơ DC Servo giảm tốc hành tinh Planetary GP36 là loại động cơ dùng trong các Robot cỡ lớn cần lực kéo, độ bền và độ ổn định cao: Robocon, xe tự hành, ..., với lực kéo mạnh, moment lớn, encoder quang HEDS-9731 với độ phân giải đĩa encoder lên đến 500CPR (500 xung 1 vòng chưa qua giảm tốc) 2 kênh A-B, động cơ Planetary GP36 là nguyên liệu thích hợp cho các thiết kế robot cần độ bền, độ ổn định và độ chính xác cao.
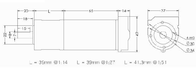
Thông số kỹ thuật:
- Hộp số kim loại giảm tốc hành tinh Planetary.
- Tỉ số giảm tốc 1:14 hoặc 1: 27 (tùy chọn).
- Moment lực kéo:
- 6.2Kg.cm (1:14 gear ratio)
- 12.2Kg.cm (1:27 gear ratio)
- Điện áp sử dụng: 12VDC.
- Dòng tiêu thụ: 3A
- Stalling current: 7A (dòng khi động cơ bị kẹt hoặc quá tải đứng im).
- Encoder quang HEDS-9731 500CPR (Count Per Round), 2 kênh A-B.
- Điện áp cấp cho Encoder: 5VDC, tín hiệu xuất ra 2 kênh TTL 0/5VDC








